Carsig – Your specialist for electronics solutions
- Product finder
- Voltage monitor
- SPWP.110.000.00
SPWP.110.000.00
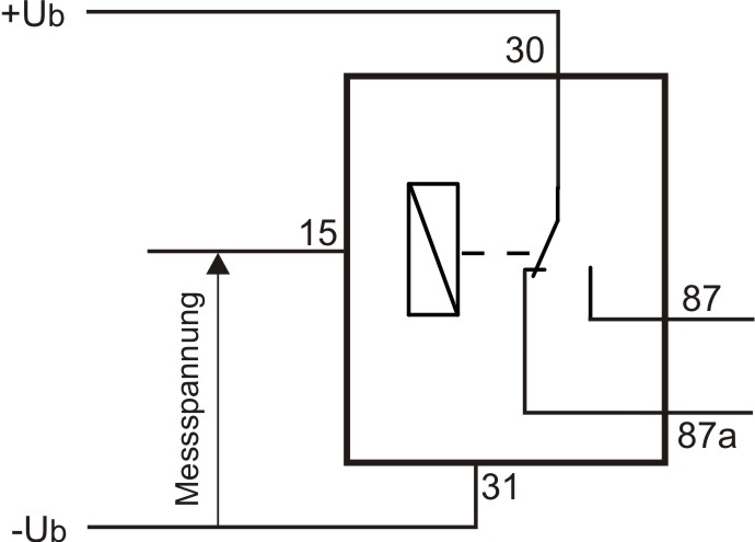
Der Spannungswächter schaltet Verbraucher bei über- oder unterschreiten einer definierten Schwellspannung zu oder ab.
Unterschreitet die Spannung (Klemme 15) den Wert von UL, so schaltet das Relais nach 10 sec "aus", wird Uh für 10sec. überschritten, dann schaltet das Relais wieder zu. Um die Einschaltschwelle besser einstellen zu können, kann auf der Pos. 0 des Drehschalters die zeitliche Verzögerung deaktiviert werden.

| technical data | |
|---|---|
| Operating voltage | 9-30V |
| Voltage | 12V |
| Width [mm] | 30 Millimeter |
| Height [mm] | 40 Millimeter |
| Length [mm] | 30 Millimeter |
function diagram

schematic

measurements




