Carsig – Your specialist for electronics solutions
- Product finder
- Voltage monitor
- SPWI.200.003.00
SPWI.200.003.00
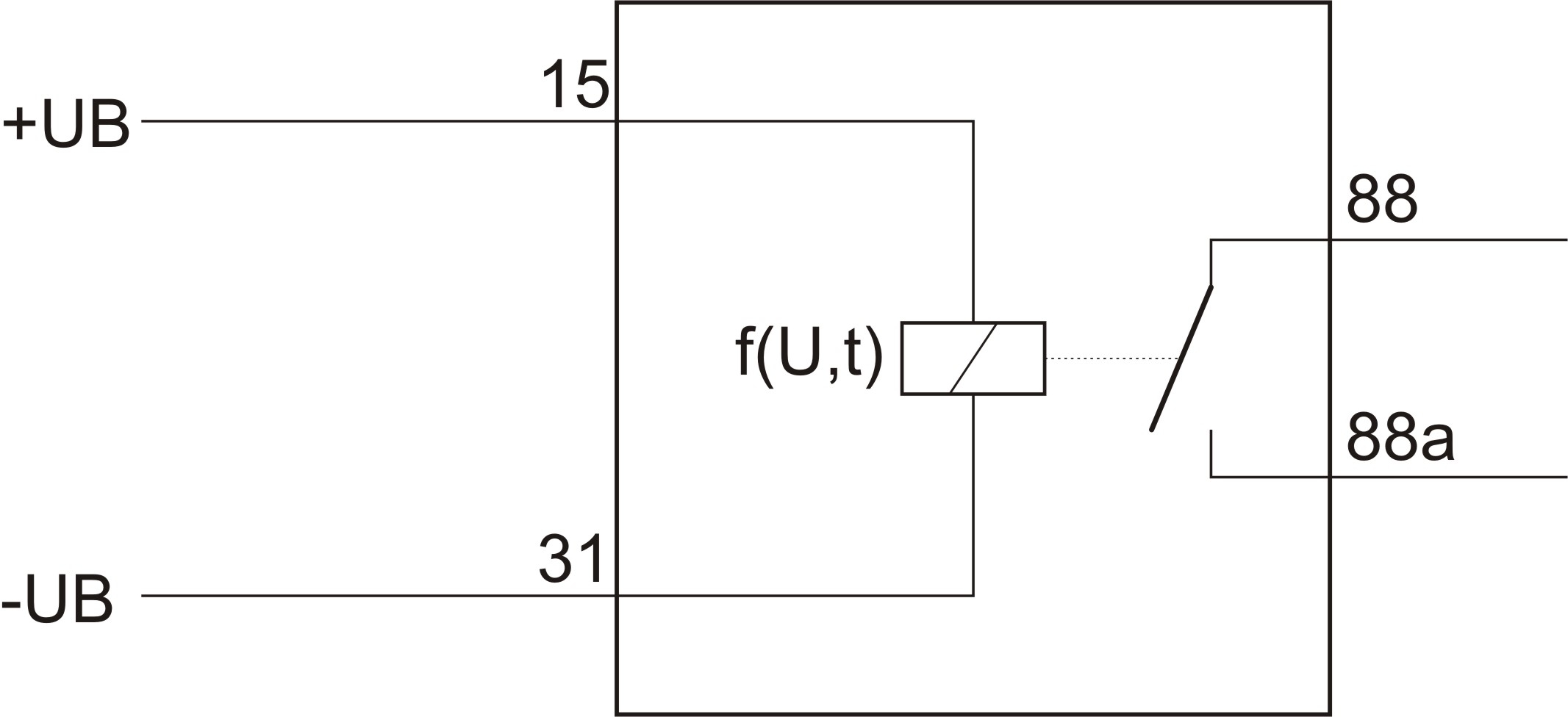
Spannungswächter 24V 70A. Geht die Einganspannung über 26,4V schaltet das Relais nach 60s ein, fällt sie unter 25,6V, schaltet das Relais nach ca. 10s aus. Überschreitet die Eingangsspannung den Wert von 30V, schaltet das Relais sofort aus.
Spannungswächter 24V 70A. Geht die Einganspannung über 26,4V schaltet das Relais nach 60s ein, fällt sie unter 25,6V, schaltet das Relais nach ca. 10s aus. Überschreitet die Eingangsspannung den Wert von 30V, schaltet das Relais sofort aus.

| technical data | |
|---|---|
| Operating voltage | 18V-32V |
| Voltage | 24V |
| Width [mm] | 30 |
| Height [mm] | 40 |
| Length [mm] | 30 |
function diagram

schematic

measurements



