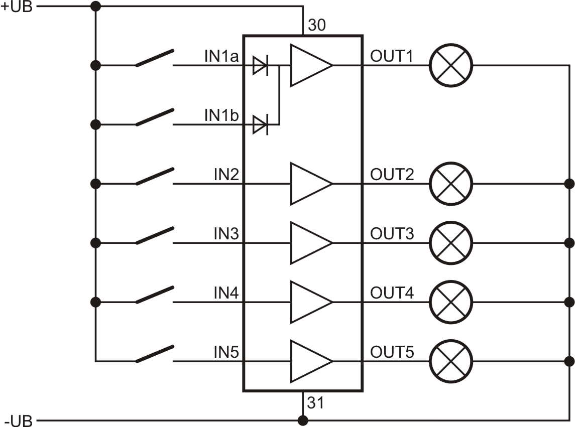
Carsig – Your specialist for electronics solutions AHG.333.000.00 | Carsig Product finderTrailer modulesAHG.333.000.00 AHG.333.000.00 info drawings technical data Output Current 10AOperating voltage 9-30VOperating current ca. 3mAWidth [mm] 60 MillimeterHeight [mm] 30 MillimeterLength [mm] 60 MillimeterVoltage 12V/24V schematic measurements