Carsig – Your specialist for electronics solutions
- Product finder
- Trailer modules
- AHG.167.001.00
AHG.167.001.00
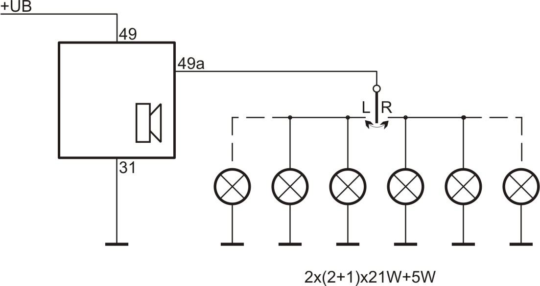
Flasher 12V with C2 buzzer for trailer operation, integrated buzzer instead of C2 lamp, Japan socket connection.
Der Blinkgeber überwacht die Fahrzeug Blinklampen sowie die des Anhängers. Wird eine dritte Blinklampe 21W erkannt, so wird das durch den Buzzer signalisiert. Bei Unterschreitung von zwei Blinklampen wird eine höhere Blinkfrequenz erzeugt.

| technical data | |
|---|---|
| Output Current | (2+1)*21W +5W |
| Operating voltage | 9V-15V |
| Width [mm] | 30 Millimeter |
| Height [mm] | 30 Millimeter |
| Length [mm] | 30 Millimeter |
| Voltage | 12V |
schematic

measurements



