Carsig – Your specialist for electronics solutions
- Product finder
- LED controller
- BEL.220.000.00
BEL.220.000.00
LED control unit with light bulb simulation and monitoring function.
The LED control unit simulates an electronic load via the constant current consumption at inputs Li and Ri and supplies the LED lights connected to the Lo and Ro outputs. The current consumption can be adjusted via a potentiometer.
The energy that is not required is fed back into the network via terminal 30, which means that the module produces only a small amount of heat.
The internal circuit monitors the outputs Lo and Ro. If the LED lights fail, the simulation stops and the failure is signaled to the chassis.

technical data | |
---|---|
Operating voltage | 18V-30V |
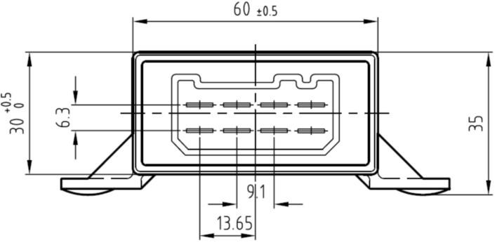
Width [mm] | 60 Millimeter |
Height [mm] | 30 Millimeter |
Length [mm] | 60 Millimeter |
Voltage | 24V |
schematic

measurements

