Carsig – Your specialist for electronics solutions

KSR.600.000.00 | Carsig

KSR.600.000.00

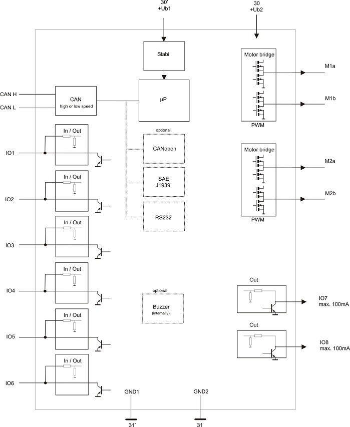
Compact CAN controller - universal and ideal for use in the automotive sector for applications as a decentralized function extension, as an independent PLC, as a monitoring unit or for data logging.

Inputs / outputs freely graphically programmable with CarsGraf ©.

Typical applications:
Control unit for central electrics, fuse monitoring, relay control, output / input expansions, connection of binary and analog sensors via CAN bus.

Inputs: up to 6
- 6 digital (IO1-IO6) or 6 analog (0-30V, 10 (12) bit)
(optional 1 frequency input max. 10 kHz)

Outputs: up to 12
- 6 digital high side (IO1-IO6)
- 2 open collector 100mA low side (IO7 + IO8)
- Outputs (M1a / M1b / M2a / M2b) can either be used as
> 2 motor bridges max. 20A per channel (with static load) or
> up to 4x HSD (PWM possible) or up to 4x low side, max.10A per channel (with static load)
For applications with PWM or frequency control, the maximum current load is limited to 20A (total load on the motor bridge outputs M1a / M1b / M2a / M2b).

Interfaces:
- 1 CAN High speed (CAN Low-Speed or RS232 optional).

The ports IO1- IO6 can be used as inputs or outputs.

The motor bridges can also be used as individual high / low-side outputs.
There are separate connections for the power and logic supply voltage.
A reference voltage can be tapped for precise analog measurements (optional).

Internal temperature measurement.
Internal potentiometer.
Internal voltage measurement.
Overcurrent / overload detection motor bridge 1 & 2.

CAN for particularly harsh environments
- Overvoltage protection up to ± 36 V
- Loss of soil protection, excess temperature (thermal shutdown)
- Protection and common mode transients
- Protection of ± 100V
- Error protection of the bus pins exceeds ± 36 V.
- The ESD protection of the bus pins exceeds ± 16 kV HBM
- Compatible with ISO 11898-2

CAN bus interface according to ISO 11898-5: high-speed wake on CAN
according to CAN 2.0 B: 29 bits extended address identifier
Baud rate: 20 kBit / s to 1000 kBit / s (250 kBit / s default value)

CAN bus high or low speed (other interfaces such as CANopen, SAE J1939, RS232 optional) Use as master, slave module or expansion (I / O).

Programming can be done graphically or using a C development system. The range of functions (memory / register access or bus communication) can be limited in graphic programming. Programming and hardware knowledge are required when programming using the C development system.

technical data
Voltage 12V/24V
Operating voltage 9-30V
Number of inputs 6
Additional output 12
Tab Optional
Length [mm] 60 Millimeter
Width [mm] 60 Millimeter
Height [mm] 35 Millimeter

schematic

measurements

Scroll to Top