Carsig – Ihr Spezialist für Elektroniklösungen
- Produktfinder
- Wisch-Wasch-Intervalrelais
- WWI.101.000.00
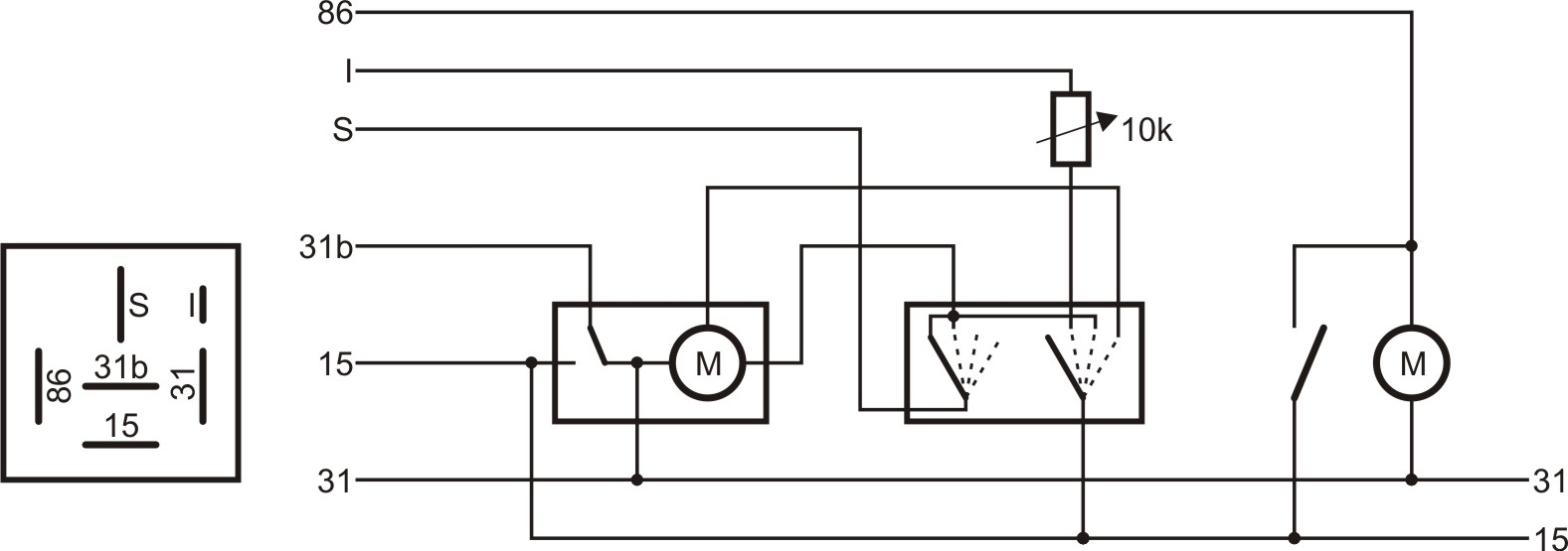
WWI.101.000.00
Wisch-Wasch-Intervall-Relais 12V 15A, Intervallpause einstellbar 4sec. - 20sec., Nachwischzeit ca. 5sec.
Wird die Kl. I über das Potentiometer (extern) und den Intervallschalter S2b mit 15 verbunden startet das Relais im Intervallmodus. Die Intervallzeit ist mit dem Potentiometer einstellbar von 4sec. bis 20sec.
Wird die Waschpumpe betätigt, so beginnt die Nachwischzeit von ca. 4sec.

Technische Daten | |
---|---|
Breite [mm] | 30 Millimeter |
Einstellbar | Ja |
Höhe [mm] | 40 Millimeter |
Länge [mm] | 30 Millimeter |
Nennspannung | 12V |
Zeitbereich | 4-20sec. |
Kompatibel zu
Artikelnummer | Hersteller |
---|---|
5WG003620-02 | Hella |
Schaltbild

Abmessungen


