Carsig – Ihr Spezialist für Elektroniklösungen
- Produktfinder
- Steuerungen
- KSR.550.000.00
KSR.550.000.00
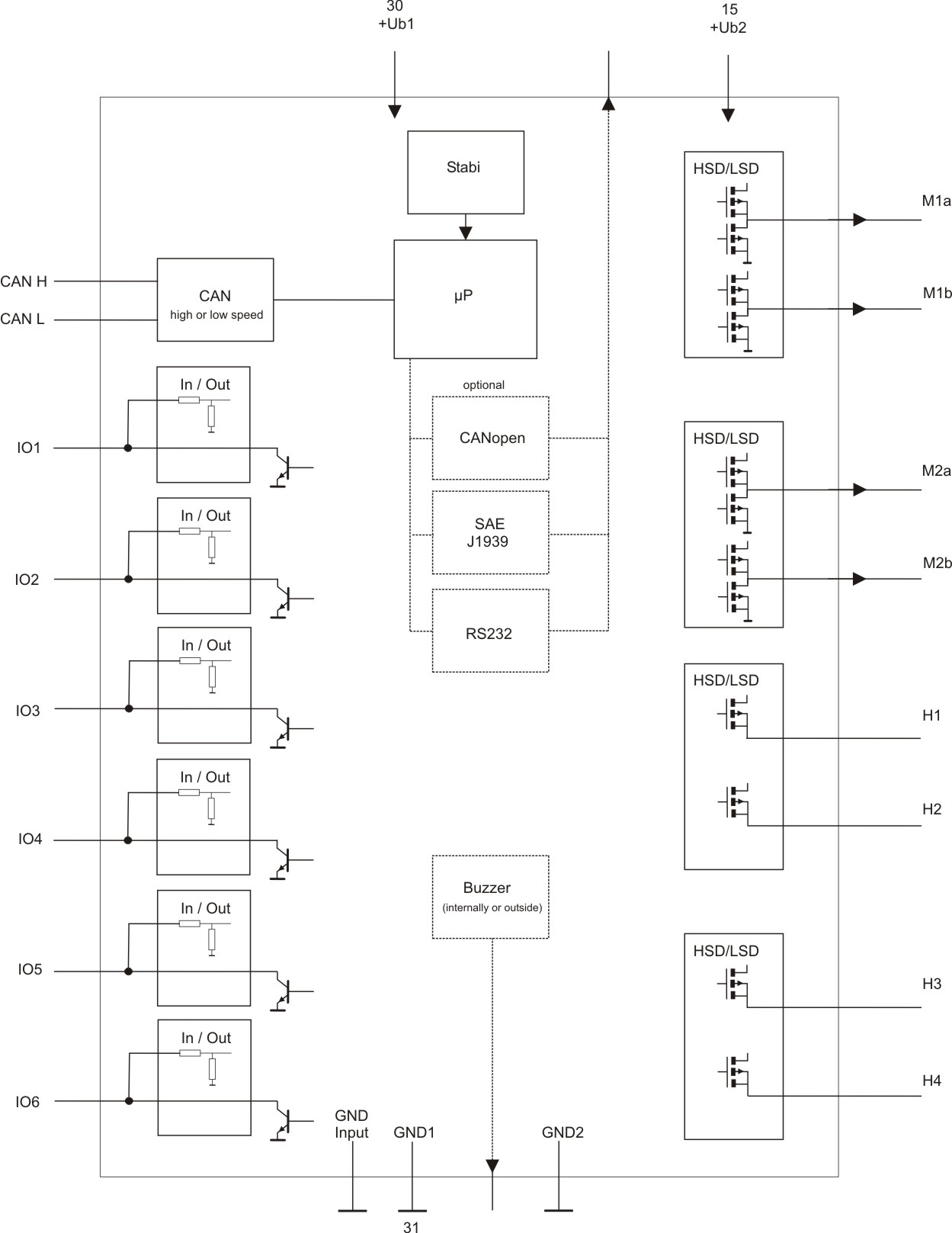
Kompakte CAN Steuerung - Universal und ideal für den Automotive Bereich einsetzbar für Anwendungen als dezentrale Funktionserweiterung, als selbstständige SPS, als Überwachungseinheit oder zur Messwerterfassung.
Ein- und Ausgänge frei grafisch mittels CarsGraf© programmierbar.
Anwendungsbeispiele:
Steuereinheit für Zentralelektriken, Sicherungsüberwachung, Relaisansteuerung, Ausgangs-/Eingangserweiterungen, Anbindung binärer und analoger Sensorik über CAN-Bus.
Eingänge: bis zu 6
- 6 digital (optional 2 Frequenzeingänge max. 10kHz) oder 6 analog (0-30V, 10 (12) bit)
Ausgänge: bis zu 14
- 6 Open Collector 70mA
- 4 HSD 1A
- 2 Motorbrücken 4A (oder 4 HSD 2A oder 4 Low Side 2A)
Schnittstellen:
- 1 CAN High Speed (CAN Low Speed oder RS232 optional)
Die Ports IO1- IO6 können als Eingang oder als Output verwendet werden.
Zuschaltbare Pull-Up.
Interne Temperaturmessung.
Interner Potentiometer.
Interne Spannungsmessung.
Überstrom/Überlasterkennung Motorbrücke 1 & 2.
Die Motorbrücken können auch als einzelne High/Low-Side-Ausgänge verwendet werden.
Es sind getrennte Anschlüsse für die Versorgungsspannung Power und Logik vorhanden.
Die Programmierung kann grafisch oder per C-Entwicklungssystem erfolgen. Bei der grafischen Programmierung kann der Funktionsumfang (Speicher / Registerzugriffe bzw. Buscommunikation) eingeschränkt sein. Bei der Programmierung mittels C-Entwicklungssystem sind Programmier sowie Hardwarekenntnisse erforderlich.
CAN-Bus High- oder Low-speed (andere Schnittstellen wie CANopen, SAE J1939, RS232 optional) Verwendung als Master-, Slave-Modul oder Erweiterung (I/O).

| Technische Daten | |
|---|---|
| Nennspannung | 12V/24V |
| Betriebsspannung | 9-30V |
| Anzahl Eingänge | 6 |
| Anzahl Ausgänge | 14 |
| Lasche | Optional |
| Länge [mm] | 60 Millimeter |
| Breite [mm] | 60 Millimeter |
| Höhe [mm] | 35 Millimeter |
Funktionsdiagramm

Schaltbild

Abmessungen


