Carsig – Ihr Spezialist für Elektroniklösungen
- Produktfinder
- Steuerungen
- KSR.500.000.00
KSR.500.000.00
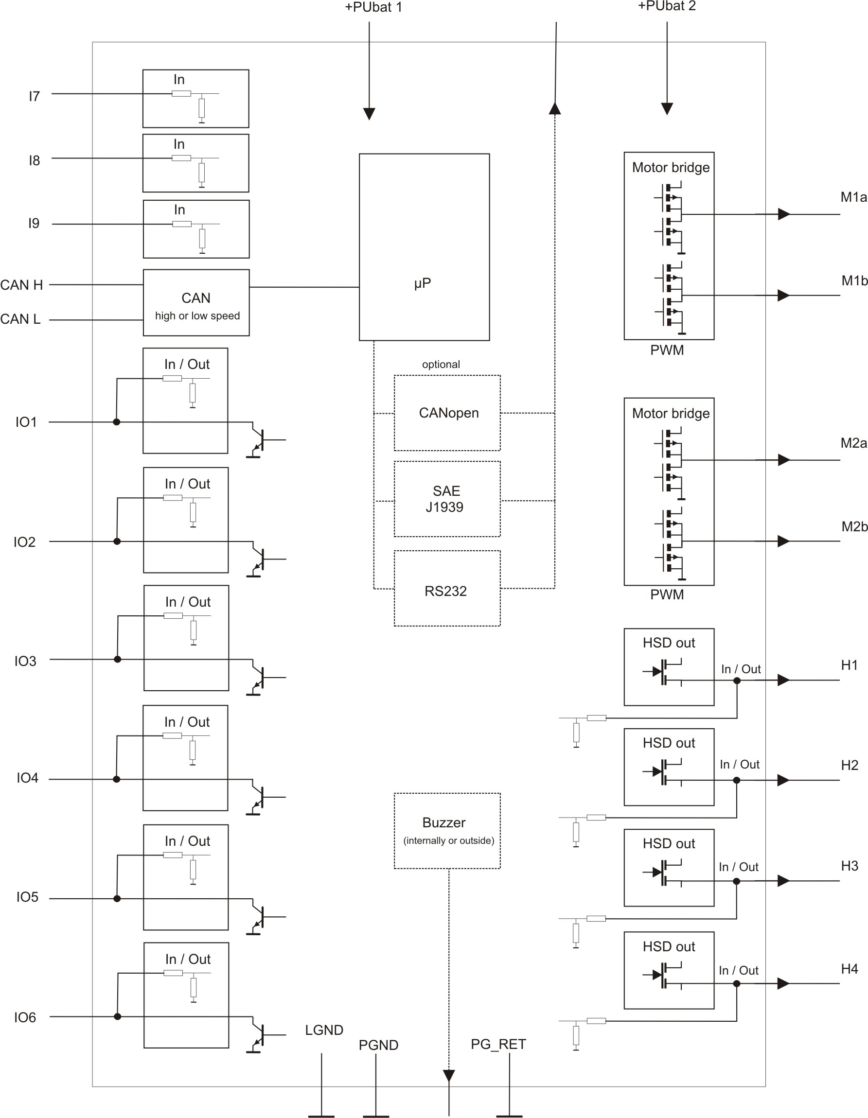
Kompakte CAN Steuerung - Universal und ideal für den Automotive Bereich einsetzbar für Anwendungen als dezentrale Funktionserweiterung, als selbstständige SPS, als Überwachungseinheit oder zur Messwerterfassung.
Ein- und Ausgänge frei grafisch mittels CarsGraf© programmierbar.
Anwendungsbeispiele:
Steuereinheit für Zentralelektriken, Sicherungsüberwachung, Relaisansteuerung, Ausgangs-/Eingangserweiterungen, Anbindung binärer und analoger Sensorik über CAN-Bus.
Eingänge: bis zu 9
- 9 digital (optional 2 Frequenzeingänge max. 10kHz) oder 9 analog (0-30V, 10 (12) bit)
Ausgänge: bis zu 14
- 6 Open collector 100mA
- 4 HSD 1A
- 2 Motorbrücken 2A (oder 4x HSD 2A oder Low Side 2A oder 4x Proportionalregler-Stromregelung)
Schittstellen:
- 1 CAN High Speed (CAN Low Speed oder RS232 optional)
Die Ports IO1- IO6 können sowohl als Eingang oder auch als Ausgang verwendet werden.
Der Port IO2 und I9 sind als Frequenzeingänge bis max. 10kHz nutzbar.
Die Motorbrücken können auch als einzelne High/Low-Side-Ausgänge verwendet werden.
Es sind getrennte Anschlüsse für die Versorgungsspannung Power und Logik vorhanden.
Für genaue Analogmessungen kann eine Referenzspannung abgegriffen werden (optional).
Interne Temperaturmessung.
Interner Potentiometer.
Interne Spannungsmessung.
Überstrom/Überlasterkennung Motorbrücke 1 & 2.
CAN für besonders raue Umgebungen
- Überspannungsschutz bis ± 36 V
- Verlust des Bodenschutzes, Übertemperatur (thermische Abschaltung)
- Schutz und Gleichtakt-Transienten
- Schutz von ± 100 V
- Fehlerschutz der Bus-Pins übersteigt ± 36 V
- Der ESD-Schutz der Bus-Pins überschreitet ± 16 kV HBM
- Kompatibel mit ISO 11898-2
CAN- Bus Schnittstelle nach ISO 11898-5: Highspeed wake on CAN
nach CAN 2.0 B: 29 Bits extended address identifier
Baudrate: 20 kBit/s bis 1000 kBit/s (250 kBit/s default value)
CAN-Bus High- oder Low-speed (andere Schnittstellen wie CANopen, SAE J1939, RS232 optional) Verwendung als Master-, Slave-Modul oder Erweiterung (I/O).
Die Programmierung kann grafisch oder per C-Entwicklungssystem erfolgen. Bei der grafischen Programmierung kann der Funktionsumfang (Speicher / Registerzugriffe bzw. Bus Communication) eingeschränkt sein. Bei der Programmierung mittels C-Entwicklungssystem sind Programmier sowie Hardwarekenntnisse erforderlich.

Technische Daten | |
---|---|
Nennspannung | 12V/24V |
Betriebsspannung | 9-30V |
Anzahl Eingänge | 9 |
Anzahl Ausgänge | 14 |
Lasche | Optional |
Länge [mm] | 60 Millimeter |
Breite [mm] | 60 Millimeter |
Höhe [mm] | 35 Millimeter |
Funktionsdiagramm

Schaltbild

Abmessungen

