Carsig – Ihr Spezialist für Elektroniklösungen
- Produktfinder
- Spannungswächter
- SPW.220.000.00
SPW.220.000.00
Unterspannungswächter
- Schutz von Verbrauchern gegen Unterspannung
- Schutz der Batterie vor Tiefentladung
- Zuschalten von Warneinrichtungen bei Unterspannung
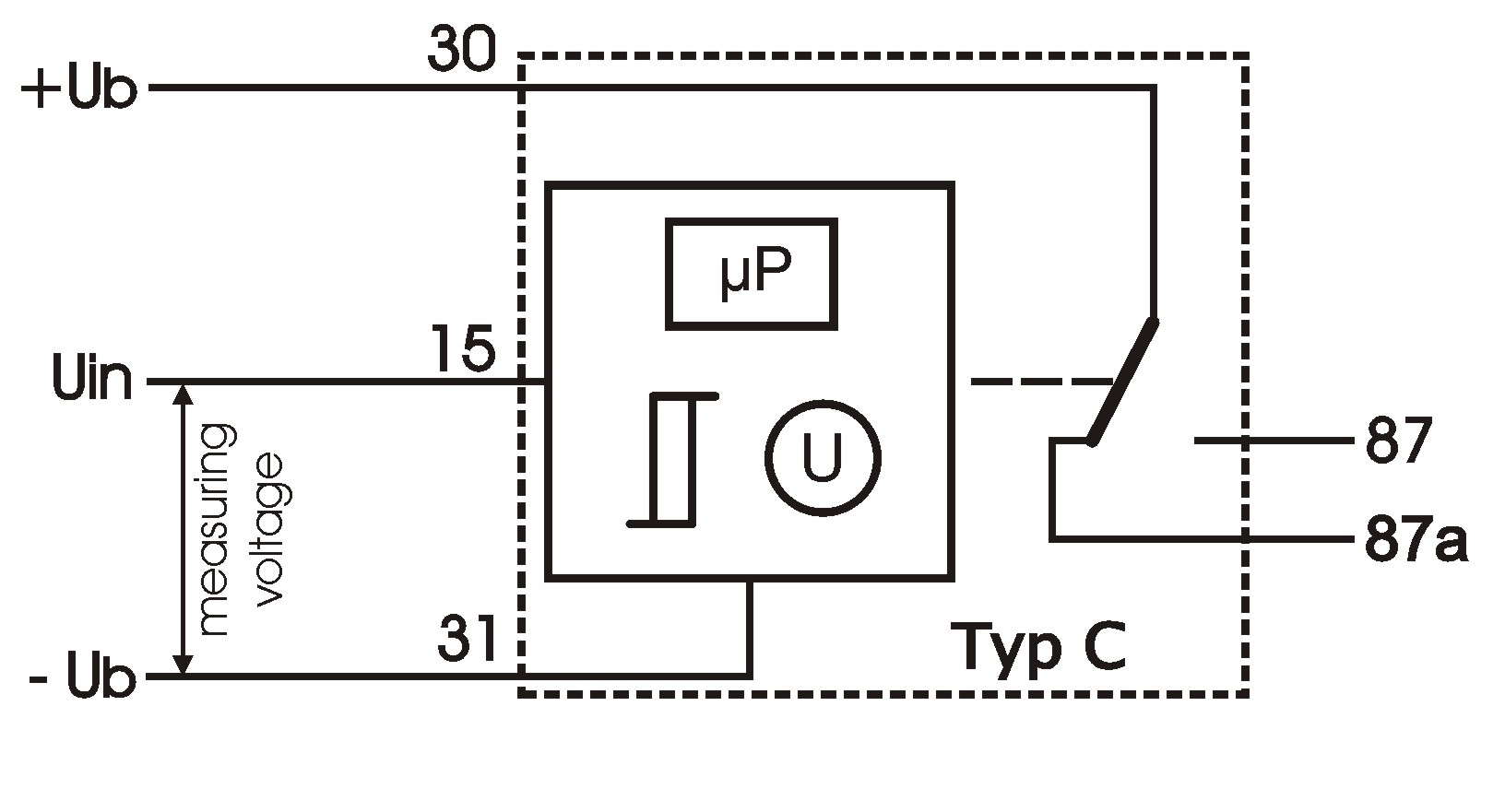
Das interne Relais des Spannungswächters ist während des "normalen" Betriebszustandes angezogen. Unterschreitet die Betriebsspannung an der Klemme 15 für mehrere Sekunden die Ausschaltschwellspannung, so fällt das Relais ab. Überschreitet die Betriebsspannung an der Klemme 15 wieder die Einschaltschwellspannung, so zieht das Relais wieder nach einer definierten Zeit an.
-

| Technische Daten | |
|---|---|
| Betriebsspannung | 18V-30V |
| Nennspannung | 24V |
| Breite [mm] | 30 Millimeter |
| Höhe [mm] | 50 Millimeter |
| Länge [mm] | 30 Millimeter |
Funktionsdiagramm

Schaltbild

Abmessungen



