Carsig – Ihr Spezialist für Elektroniklösungen
- Produktfinder
- Spannungswächter
- SPW.200.000.00
SPW.200.000.00
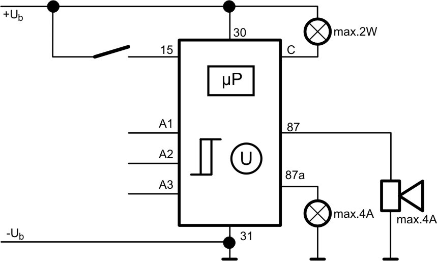
Der Unterspannungswächter schaltet bei Unterschreitung der unteren Schwellspannung an den Analogeingängen A1, A2 oder A3 die Ausgänge 87, 87a und C ein. Mit dem Rücksetzeingang X kann der Ausgang 87 wieder ausgeschaltet werden, die anderen Ausgänge 87a und C werden hiervon nicht beeinflusst. Überschreitet die Eingangsspannung den oberen Schwellwert, so werden alle Ausgänge wieder ausgeschaltet.

| Technische Daten | |
|---|---|
| Nennspannung | 24V |
| Breite [mm] | 30 Millimeter |
| Höhe [mm] | 50 Millimeter |
| Länge [mm] | 30 Millimeter |
Funktionsdiagramm

Schaltbild

Abmessungen




