Carsig – Ihr Spezialist für Elektroniklösungen
- Produktfinder
- Spannungswächter
- SPW.180.002.00
SPW.180.002.00
Der Spannungswächter schaltet Verbraucher bei über- oder unterschreiten einer definierten Schwellspannung zu oder ab.
Der Spannungswächter schaltet Verbraucher bei über- oder unterschreiten einer definierten Schwellspannung zu oder ab.

| Technische Daten | |
|---|---|
| Betriebsspannung | 9-30V |
| Nennspannung | 12V |
Funktionsdiagramm

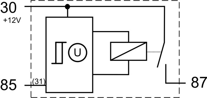
Schaltbild

Abmessungen

