Carsig – Ihr Spezialist für Elektroniklösungen
- Produktfinder
- Spannungswächter
- SPW.130.003.00
SPW.130.003.00
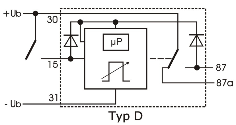
Spannungswächter 12V/10A Typ D 12,0V 15sec. / bei 15 Ein Dauerbetrieb
Der Spannungswächter schaltet Verbraucher bei über- oder unterschreiten einer definierten Schwellspannung zu oder ab. Die Besonderheit liegt darin, dass solange der Eingang 15 anliegt, ist die Spannungswächterfunktion deaktiviert. Wird der Eingagn 15 abgeschaltet belibt das Relais so lang angezogen bis die Unterspannungsschwelle erreicht ist.

| Technische Daten | |
|---|---|
| Betriebsspannung | 9-30V |
| Nennspannung | 12V |
| Breite [mm] | 30 Millimeter |
| Höhe [mm] | 40 Millimeter |
| Länge [mm] | 30 Millimeter |
Funktionsdiagramm

Schaltbild

Abmessungen



