Carsig – Ihr Spezialist für Elektroniklösungen
- Produktfinder
- Schrittschaltrelais
- SHR.280.000.00
SHR.280.000.00
Schrittschaltrelais 24V 10A, pos. getriggert. Schrittschaltrelais werden dort eingesetzt, wo mittels Taster Verbraucher ein- und ausgeschaltet werden sollen, z.B. Arbeitsscheinwerfer.
| Technische Daten | |
|---|---|
| Länge [mm] | 40 Millimeter |
| Breite [mm] | 40 Millimeter |
| Höhe [mm] | 40 Millimeter |
| Betriebsspannung | 18V-30V |
| Betriebsstrom | 10mA/100mA |
| Nennspannung | 24V |
| Strom | 10A |
Funktionsdiagramm

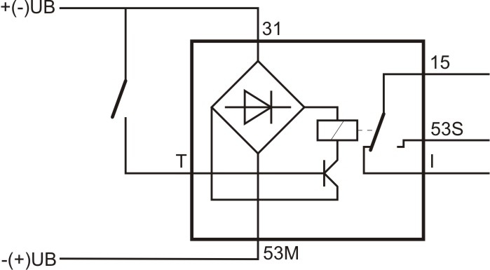
Schaltbild

Abmessungen




