Carsig – Ihr Spezialist für Elektroniklösungen
- Produktfinder
- Schrittschaltrelais
- SHR.110.001.00
SHR.110.001.00
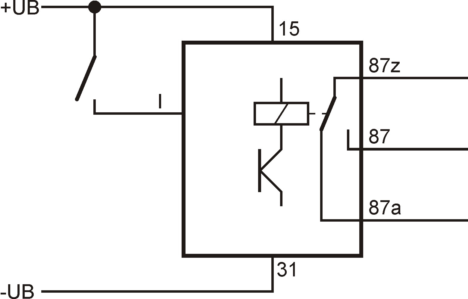
Schrittschaltrelais 12V 40A/30A, pos. getriggert. Schrittschaltrelais werden dort eingesetzt, wo mittels Taster Verbraucher ein- und ausgeschaltet werden sollen, z.B. Arbeitsscheinwerfer.
Nach Anlegen der Betriebsspannung an Pin 15 befindet sich des Relais im Ruhezustand, der Kontakt 87z ist mit 87a verbunden. Nach Anlegen einer Spannung am Pin I schaltet der Relaiskontakt um, 87z und 87 sind nun verbunden. Wenn am Eingang I ein erneuter Flankenwechsel erkannt wird schaltet das Relais erneut um. Wenn Pin 15 spannungslos ist, fällt das Relais in den Ruhezustand zurück.
| Technische Daten | |
|---|---|
| Länge [mm] | 30 Millimeter |
| Breite [mm] | 30 Millimeter |
| Höhe [mm] | 40 Millimeter |
| Betriebsspannung | 9V-15V |
| Betriebsstrom | 10mA/100mA |
| Nennspannung | 12V |
| Strom | 40/30A |
Funktionsdiagramm

Schaltbild

Abmessungen




