Carsig – Ihr Spezialist für Elektroniklösungen
- Produktfinder
- Relais
- DOR.202.000.00
DOR.202.000.00
Doppelrelais 24V 2x10A

| Technische Daten | |
|---|---|
| Nennspannung | 24V |
| Betriebsspannung | 18V-30V |
| Relaisbeschaltung | Resistor |
| Länge [mm] | 0 |
| Breite [mm] | 0 |
| Höhe [mm] | 0 |
| Ausgang | 2x Wechsler |
| Ausgangsleistung | max 2x15A |
| Lasche | Optional |
Kompatibel zu
| Artikelnummer | Hersteller |
|---|---|
| 13 451 200 | Wehrle/Magna |
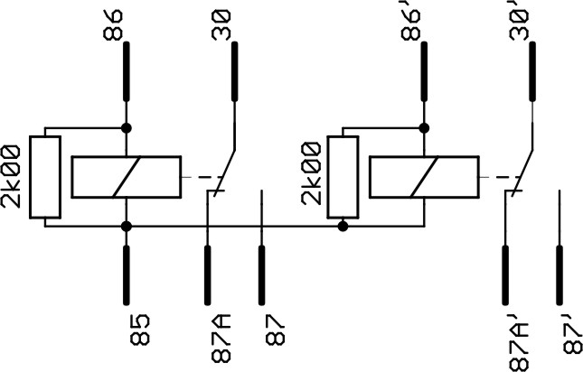
Schaltbild

Funktionsdiagramm

Abmessungen


