Carsig – Ihr Spezialist für Elektroniklösungen
- Produktfinder
- Relais
- DOR.103.001.00
DOR.103.001.00
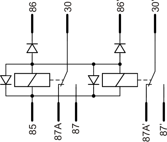
Relais Doppel 12V 2x10A kundenspezifisch Freilauf- und Entkoppeldioden.

| Technische Daten | |
|---|---|
| Nennspannung | 12V |
| Betriebsspannung | 9-30V |
| Relaisbeschaltung | Freilauf-/Verpolschutzdide |
| Länge [mm] | 30 Millimeter |
| Breite [mm] | 30 Millimeter |
| Höhe [mm] | 45 Millimeter |
| Ausgang | 2xWechsler |
| Ausgangsleistung | 2x10A |
Schaltbild

Funktionsdiagramm

Abmessungen


