Carsig – Ihr Spezialist für Elektroniklösungen
- Produktfinder
- Relais
- DOR.102.000.00
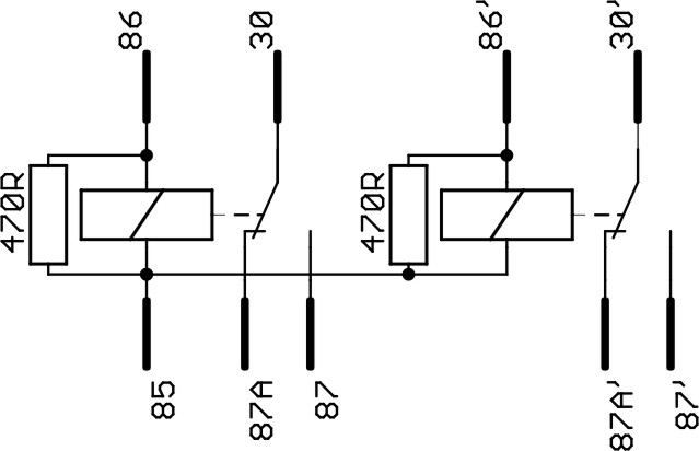
DOR.102.000.00
Doppelrelais 12V 2x10A

| Technische Daten | |
|---|---|
| Nennspannung | 12V |
| Betriebsspannung | 9-30V |
| Relaisbeschaltung | Resistor |
| Länge [mm] | 30 |
| Breite [mm] | 30 |
| Höhe [mm] | 40 |
| Ausgang | 2x Wechsler |
| Ausgangsleistung | 2x10A |
| Lasche | Optional |
Kompatibel zu
| Artikelnummer | Hersteller |
|---|---|
| 13 251 200 | Wehrle/Magna |
Schaltbild

Funktionsdiagramm

Abmessungen


