Carsig – Ihr Spezialist für Elektroniklösungen
- Produktfinder
- Relais
- DOR.101.000.00
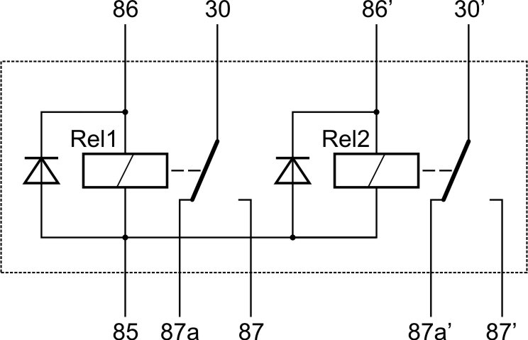
DOR.101.000.00
Doppelrelais 12V 2x10A mit Freilaufdioden

| Technische Daten | |
|---|---|
| Nennspannung | 12V |
| Betriebsspannung | 9V-15V |
| Relaisbeschaltung | Freilaudfiode |
| Länge [mm] | 30 Millimeter |
| Breite [mm] | 30 Millimeter |
| Höhe [mm] | 40 Millimeter |
| Ausgang | 2xWechsler |
| Lasche | Optional |
Kompatibel zu
| Artikelnummer | Hersteller |
|---|---|
| 13 251 100 | Wehrle/Magna |
Schaltbild

Funktionsdiagramm

Abmessungen


