Carsig – Ihr Spezialist für Elektroniklösungen
- Produktfinder
- Relais Bistabil
- REL.100.310.00
REL.100.310.00
Bistabile Relais eignen sich Ideal zum Schalten von Lasten mittels Taster, da das Relais nach Unterbrechung des Erregerstromkreises die Schaltstellung behält.
Bei bistablen Relais erfolgt die Leistungsaufnahme seitens des Relais nur beim Umschalten der Schaltstellung. Vorteil: Reduzierung der Stromaufnahme und Wärmeentwicklung.
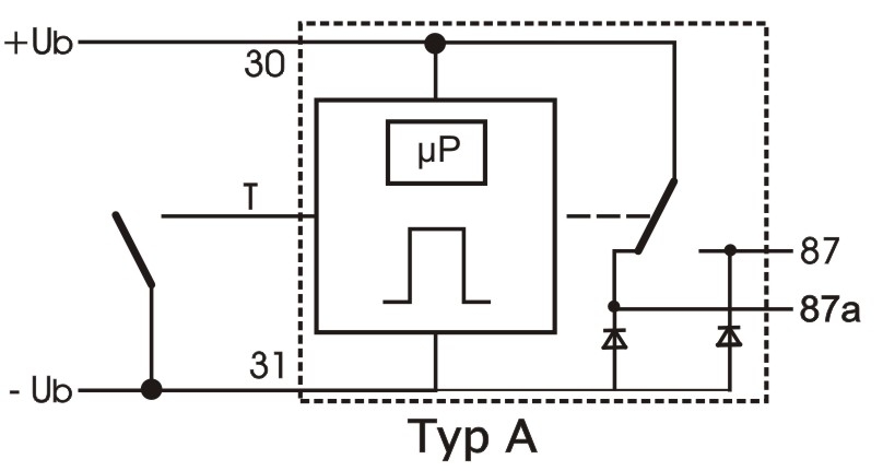
Negativ gertriggert. Anschluss: Typ A. Ausführung der Ausgänge: Wechsler.

| Technische Daten | |
|---|---|
| Breite [mm] | 30 Millimeter |
| Höhe [mm] | 30 Millimeter |
| Länge [mm] | 30 Millimeter |
| Nennspannung | 12V |
Funktionsdiagramm

Schaltbild

Abmessungen


