Carsig – Ihr Spezialist für Elektroniklösungen
- Produktfinder
- Proportionalregler
- PCR.600.000.00
PCR.600.000.00
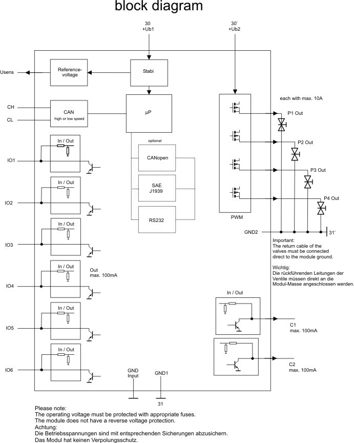
Kleinsteuerung und 4fach Proportionalregler, universal einsetzbar, mit 4x Proportionalausgang je 3A, 6x Input/ Output,
2x OC und CAN-Bus. Geeignet für Hydraulik und Automotiv-Anwendungen, zur Steuerung in Fahrzeugen, Maschinen, Kränen, Land- und Forstmaschinen und Baumaschinen (z.B. per Joystick). Möglichkeit der kundeneigenen Programmierung mittels
grafischer Programmieroberfläche CarsGraf©. Die Funktionen sind frei programmierbar. CAN-Bus high- oder low-speed (andere Schnittstellen wie CANopen, SAE J1939, RS232 optional).
nach Kundenanforderung

| Technische Daten | |
|---|---|
| Betriebsspannung | 63V |
Funktionsdiagramm

Schaltbild

Abmessungen

