Carsig – Ihr Spezialist für Elektroniklösungen
- Produktfinder
- Proportionalregler
- PCR.500.000.00
PCR.500.000.00
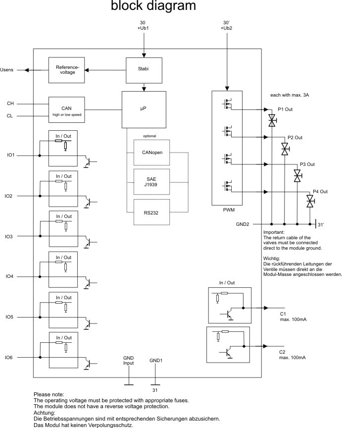
Kleinsteuerung und 4fach Proportionalregler, universal einsetzbar, mit 4x Proportionalausgang je 3A, 6x Input/ Output,
2x OC und CAN-Bus. Geeignet für Hydraulik und Automotiv-Anwendungen, zur Steuerung in Fahrzeugen, Maschinen, Kränen, Land- und Forstmaschinen und Baumaschinen (z.B. per Joystick). Möglichkeit der kundeneigenen Programmierung mittels
grafischer Programmieroberfläche CarsGraf©. Die Funktionen sind frei programmierbar. CAN-Bus high- oder low-speed (andere Schnittstellen wie CANopen, SAE J1939, RS232 optional).
Die Ports IO1- IO6 können als Eingang oder als Output verwendet werden!
Es sind getrennte Anschlüsse für die Versorgungsspannung Power und Logik vorhanden. Für genaue Analogmessungen kann eine Referenzspannung abgegriffen werden! Die Ports IO1- IO6 kön...

| Technische Daten | |
|---|---|
| Ausgangsleistung | max 4x2A@25°C |
| Betriebsspannung | 63V |
| Nennspannung | 12V/24V |
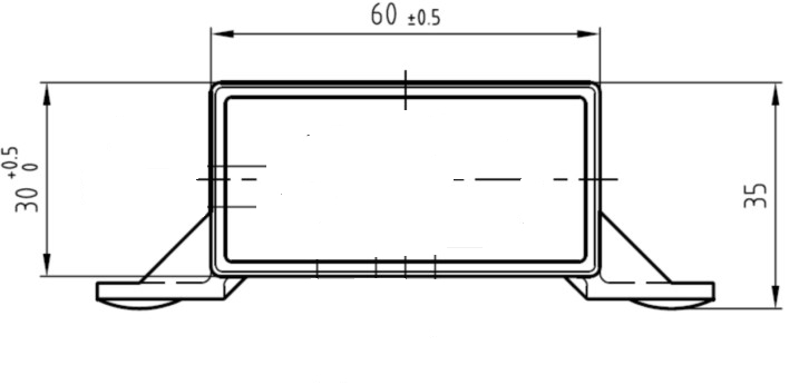
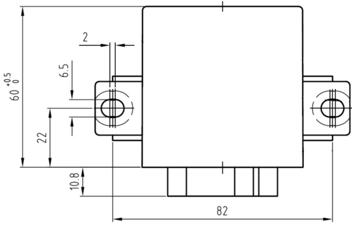
| Breite [mm] | 60 Millimeter |
| Höhe [mm] | 35 Millimeter |
| Länge [mm] | 60 Millimeter |
Funktionsdiagramm

Schaltbild

Steckerbelegung

Abmessungen


