Carsig – Ihr Spezialist für Elektroniklösungen
- Produktfinder
- Proportionalregler
- PCR.352.000.00
PCR.352.000.00
Der Proportional-Regler dient zur Durchflussmengenregelung von Ventilen und kommt bei hydraulischen Anwendungen zum Einsatz, aber auch zur Lüftersteuerung, Drehzahl, Sanftanlauf. Möglichkeit der kundeneigenen Programmierung mittels grafischer Programmieroberfläche CarsGraf©
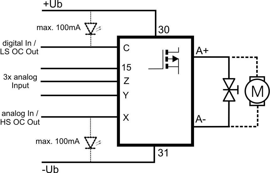
Stromregelung: über den Sollwert 0 - 10 Volt wird ein konstanter Ausgangsstrom eingestellt. Schwankungen der Betriebsspannung sowie Temperaturschwankungen werden ausgeglichen. Eine konstante Durchflussmenge ist dadurch gewährleistet. Es kann eine Ditherfrequenz überlagert werden, um ein Festsetzen des Ventils zu vermeiden. Stromregelungsbereich, Rampenzeit und weitere Sonderfunktionen und I/Os nach Kundenanforderung.

| Technische Daten | |
|---|---|
| Betriebsspannung | 9-30V |
| Nennspannung | 9-30V |
| Breite [mm] | 30 Millimeter |
| Höhe [mm] | 40 Millimeter |
| Länge [mm] | 30 Millimeter |
Funktionsdiagramm

Schaltbild

Abmessungen




