Carsig – Ihr Spezialist für Elektroniklösungen
- Produktfinder
- Proportionalregler
- PCR.302.001.00
PCR.302.001.00
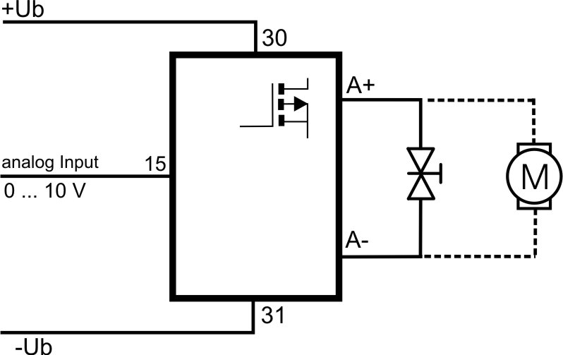
Einschalten (Spannung an PIN 15): Wert > als 4.8 Volt= Einschalten mit Verzögerung von 3 Sekunden. Oder Wert > als 6 Volt= Einschalten direkt. Ausschalten (Spannung an PIN 15): Wert < als 4 Volt= Ausschalten direkt. Einschalten Szenario: 1. Losbrechen PWM 60% für 1 Sekunde 2. Pause PWM 0% für 1 Sekunde 3. Start PWM 11.6% für 2 Sekunden 4. Rampe PWM 11.6%- 60% in 6 Sekunden 5. Halten bis ausschalten PWM 60% 11.6% wird noch genau geklärt. Ansonsten entspricht das exakt unseren Wünschen. Unser angesteuertes Ventil sollt noch mit dem "Relais" getestet werden.

| Technische Daten | |
|---|---|
| Betriebsspannung | 9-30V |
| Nennspannung | 9-30V |
Schaltbild

Abmessungen




