Carsig – Ihr Spezialist für Elektroniklösungen
- Produktfinder
- Proportionalregler
- PCR.301.000.00
PCR.301.000.00
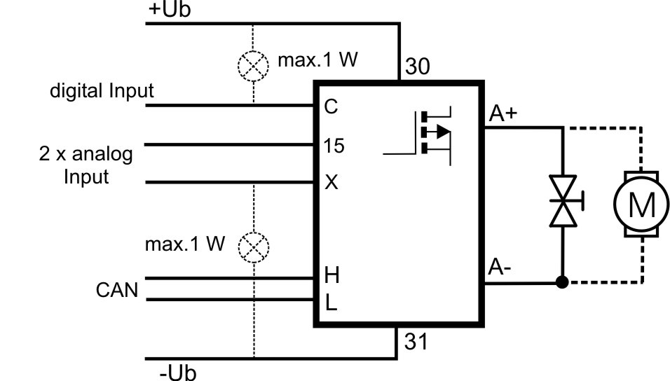
Der Proportional-Regler dient zur Durchflussmengen- regelung von Ventilen und kommt bei hydraulischen Anwendungen zum Einsatz, aber auch zur Lüftersteuerung, Drehzahl, Sanftanlauf. Der CAN -Bus ermöglicht den Datenaustausch zwischen den Modulen. CAN High- oder Low-Speed (RS232 optional) gewährleistet eine einfache Integration in vorhandene CAN-Systeme. Ansteuerung und Auslesen aller Werte per Bus möglich. Weitere Funktionen (IOs) sind frei programmierbar. Möglichkeit der kundeneigenen Programmierung mittels grafischer Programmieroberfläche CarsGraf©.
Stromregelung: über den Sollwert 0 - 10 Volt oder CAN-Bus wird ein konstanter Ausgangsstrom eingestellt. Schwankungen der Betriebsspannung sowie Temperaturschwankungen werden ausgeglichen. Eine konstante Durchflussmenge ist dadurch gewährleistet. Es kann eine Ditherfrequenz überlagert werden, um ein Festsetzen des Ventils zu vermeiden. Stromregelungsbereich, Rampenzeit und weitere Sonderfunktionen und IOs nach Kundenanforderung.

| Technische Daten | |
|---|---|
| Betriebsspannung | 9-30V |
| Nennspannung | 9-30V |
| Breite [mm] | 30 Millimeter |
| Höhe [mm] | 40 Millimeter |
| Länge [mm] | 30 Millimeter |
Funktionsdiagramm

Schaltbild

Abmessungen




