Carsig – Ihr Spezialist für Elektroniklösungen

PTR.1.7.0005 | Carsig

PTR.1.7.0005

Hochstrom-Leiterplattenanschluss
Steckbare Hochstrom kontaktierung
Montagefreundlich, da nichts verschraubt werden muss
Solberoberfläche für optimale Stromfähigkeit und maximale Steckzylen
Kompitabel zu gängigen Radsok-Buchsen von Amphenol

Technische Daten
Maximaler Strom 250A bei 20°C
150A bei 85°C
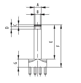
Länge [mm] 13 Millimeter
Breite [mm] 13 Millimeter
Höhe [mm] 42 Millimeter
Lasche --

Abmessungen

Nach oben scrollen