Carsig – Ihr Spezialist für Elektroniklösungen
- Produktfinder
- Powerelemente
- PowerSocket
- PSV.2.1.0001
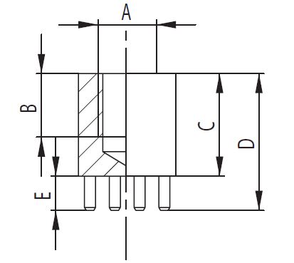
PSV.2.1.0001
Hochstrom-Leiterplattenanschluss
UNC-Gewinde
Zur Befestigung von Kabelschuhen, Midi- oder Mega-Fuse und sonstiges auf Leiterplatten
RoHs konform

| Technische Daten | |
|---|---|
| Maximaler Strom | 90A bei 20°C 54A bei 85°C |
| Länge [mm] | 7 Millimeter |
| Breite [mm] | 7 Millimeter |
| Höhe [mm] | 9,5 Millimeter |
| Lasche | -- |
Abmessungen


