Carsig – Ihr Spezialist für Elektroniklösungen
- Produktfinder
- Powerelemente
- PowerSocket
- PSR.2.3.0002
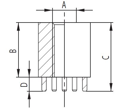
PSR.2.3.0002
Hochstrom-Leiterplattenanschluss
UNC-Gewinde
Zur Befestigung von Kabelschuhen, Midi- oder Mega-Fuse und sonstiges auf Leiterplatten
Wenn kleinere Einpresskräfte gefordert sind
Wenn das Layout keine vollflächige Pinnanordnung zulässt
RoHs konform

Technische Daten | |
---|---|
Maximaler Strom | 180A bei 20°C 120A bei 85°C |
Länge [mm] | 9 Millimeter |
Breite [mm] | 9 Millimeter |
Höhe [mm] | 9,5 Millimeter |
Lasche | -- |
Abmessungen

