Carsig – Ihr Spezialist für Elektroniklösungen
- Produktfinder
- Powerelemente
- PowerEdge
- PEV.3.1.0003
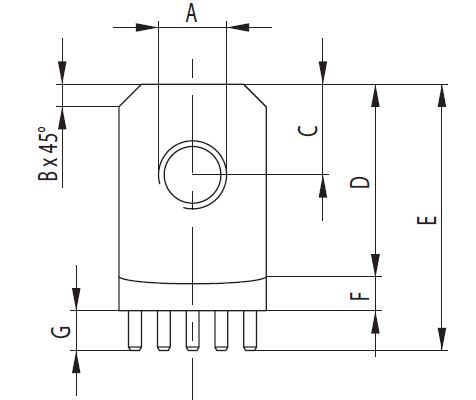
PEV.3.1.0003
Hochstrom-Leiterplattenanschluss
Anschluss 90°
Mit Gewinde oder Durchgangsbohrung erhältlich
UNC-Gewinde oder kundenspezifische Änderungen auf Anfrage
Als Befestigungselement zur Montage an Gehäusen etc.
z.B. zum Anschluss von Hochstromrelais, Kabelschuhen und Sonstiges
RoHS konform

| Technische Daten | |
|---|---|
| Maximaler Strom | 160A bei 20°C 96A bei 85°C |
| Länge [mm] | 9 Millimeter |
| Breite [mm] | 9 Millimeter |
| Höhe [mm] | 17,5 Millimeter |
| Lasche | -- |
Abmessungen


