Carsig – Ihr Spezialist für Elektroniklösungen
- Produktfinder
- Powerelemente
- PowerEdge
- PEU.3.1.0018
PEU.3.1.0018
Hochstrom-Leiterplattenanschluss
Anschluss 90°
Einfache Verarbeitung des Montagebolzen durch U-Profil
Ausgleich von größeren Höhentoleranzen möglich
kundenspezifische Änderungen auf Anfrage
Als BEfestigungselement zur Montage an Gehäusen etc.
z.B. zum anschluss von Hochstromrelais, Kabelschuhen und Sontiges
RoHS konform

Technische Daten | |
---|---|
Maximaler Strom | 360A bei 20°C 216A bei 85°C |
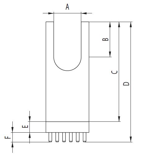
Länge [mm] | 16 Millimeter |
Breite [mm] | 16 Millimeter |
Höhe [mm] | 42,5 Millimeter |
Lasche | -- |
Abmessungen

