Carsig – Ihr Spezialist für Elektroniklösungen
- Produktfinder
- Motorumpolrelais
- MPR.200.000.00
MPR.200.000.00
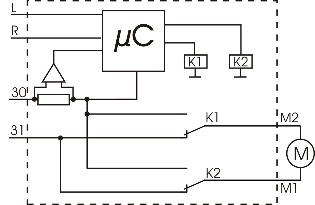
Anwendung: Umpolen von Elektromotoren mit Abschaltung bei Überlast und Wiederanlaufschutz.
Bei der Beschaltung (Dauerbetrieb) des Eingangs L oder R, wird der entsprechende Motorausgang geschaltet und der Motor läuft so lange in die entsprechende Richtung.
Die interne Überlastüberwachung schaltet den Motor bei der einstellten Überlast sofort aus. Die interne Schutzschaltung überwacht das gleichzeitige Beschalten der Eingänge L und R. Bei gleichzeitiger Beschaltung wird der Motorausgang sofort ausgeschaltet (Sperre). Die Überlastschwelle kann mittels eines stufenlosen Potentiometer von ca. 0,5A bis 10A (Toleranz +/-0,5A) eingestellt werden.

| Technische Daten | |
|---|---|
| Betriebsspannung | 18V-30V |
| Nennspannung | 24V |
| Breite [mm] | 30 Millimeter |
| Höhe [mm] | 40 Millimeter |
| Länge [mm] | 30 Millimeter |
Funktionsdiagramm

Schaltbild

Abmessungen


