Carsig – Ihr Spezialist für Elektroniklösungen
- Produktfinder
- Halbleiterrelais
- SSR.200.000.00
SSR.200.000.00
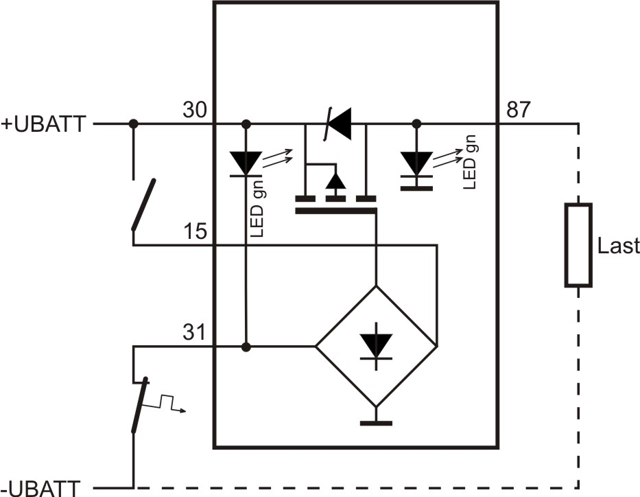
Solid-State-Relais 24V 50A mit einem Halbleiterausgang, Ansteuerung mit 31, nicht kurzschlussfest. Achtung! Eine Betriebsspannung von 30V darf nicht überschritten werden, bei langsamen Durchfahren der Ansteuerspannung zwischen 11V und 13V oder Schwankungen in diesem Bereich Gefahr der Zerstörung. Bei Ansteuerspannung unter 11V schaltet das Relais ab. Zum Ansteuern von induktiven Lasten. Keine Schaltgeräusche. Vibrationsunempfindlich.
Typische Anwendungen: Ansteuern von Lampen, Lüftern, Gebläsen.
Anschlüsse 15 und 31 sind vertauschbar. Bei Spannungseinbrüchen der Ansteuerung (15) unter 12V Abschaltverzögerung ca. 0,5s, bei Abschaltung der neg. Ansteuerungsspannung (31) keine Verzögerung. Bei eingeschaltetem Relais leuchtet die grüne LED2 und LED1, in ausgeschaltetem Zustand nur die LED1 die .

| Technische Daten | |
|---|---|
| Nennspannung | 24V |
| Breite [mm] | 30 Millimeter |
| Höhe [mm] | 40 Millimeter |
| Länge [mm] | 30 Millimeter |
Schaltbild

Abmessungen




