Carsig – Ihr Spezialist für Elektroniklösungen
- Produktfinder
- Halbleiterrelais
- SSR.160.000.00
SSR.160.000.00
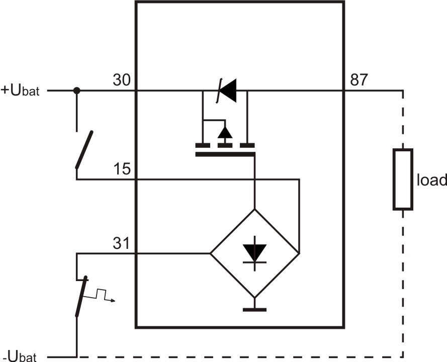
Solid-State-Relais 12V 40A mit einem Halbleiterausgang, nicht kurzschlussfest.
Ansteuerung über Anschlüsse 15 / 31 (Anschlüsse 15 und 31 sind vertauschbar).
Ausgang uni-direktional verwendbar. Zum Ansteuern von induktiven Lasten.
Keine Schaltgeräusche, vibrationsunempfindlich und für hohe Schaltspiele geeignet.
Typische Anwendungen: Ansteuern von Lampen, Lüftern, Gebläsen und allen weiteren Anwendungen mit hohen Schaltspielen.

| Technische Daten | |
|---|---|
| Nennspannung | 12V |
| Breite [mm] | 30 Millimeter |
| Höhe [mm] | 40 Millimeter |
| Länge [mm] | 30 Millimeter |
Schaltbild

Abmessungen




