Carsig – Ihr Spezialist für Elektroniklösungen
- Produktfinder
- Glühzeitrelais
- GL.150.004.00
GL.150.004.00
Funktionsdiagramm

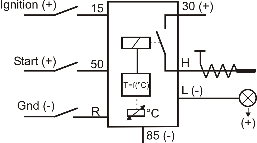
Schaltbild

Abmessungen




Dient zum Vorglühen bei Dieselmotoren (Vorglühzeit). Das Glühzeitrelais (Steuergerät, Glühzeit) hat die Funktion, den Strom für die Glühkerzen zeitgesteuert und temperaturabhängig ein- und aus zu schalten.
Zündung an. Vorglühzeit (Kl H) und Glühkontrollanzeige (Kl L) beginnt.
Nach Ablauf der temperaturabhängigen Glühkontrollanzeige erlöscht diese, die Startfreigabe wird damit signalisiert. Nach erfolgtem Start (Motor läuft) bleibt das Relais für weitere 20s (+/- 3) geschlossen (Nachglühzeit).
Erfolgt kein Start nach Erlöschen der Glühkontrollanzeige, wird der Vorglühvorgang, nach der Sicherheitsanschaltungszeit ca. 20s (+/- 3), abgebrochen.
Bei Relaistemperatur +10°C (+/- 5) Glühstopp, d.h. das Relais ist ohne Funktion.
Service – Prüfbereich:
Prüfung obiger Funktion durch Anschluss von Klemme R an Masse; auch nach überschreiten der Glühstopptemperatur möglich.

| Technische Daten | |
|---|---|
| Betriebsspannung | 9V-15V |
| Nennspannung | 12V |
| Breite [mm] | 30 Millimeter |
| Höhe [mm] | 65 Millimeter |
| Länge [mm] | 30 Millimeter |
