Carsig – Ihr Spezialist für Elektroniklösungen
- Produktfinder
- Glühzeitrelais
- GL.150.002.00
GL.150.002.00
Funktionsdiagramm

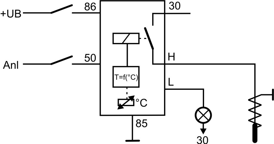
Schaltbild

Abmessungen




Nach dem Einschalten der Klemme 86 (Zündung) wird am Ausgang L (Lampe zum Anzeigen der Vorglühzeit) eine Abschaltverzögerung ausgeführt. An der Klemme 87 (Glühkerzen) liegt bis zum Start Pluspotential an. Wenn der Startvorgang beendet ist (Motor Läuft und Klemme 50 Spannungslos), fällt das Relais ab und Klemme 87 wird Spannungslos. Erfolgt kein Start, so schaltet das Relais nach Zeit (Sicherheitsabschaltung) ab. Glühzeit: 0 - 15sec.

| Technische Daten | |
|---|---|
| Betriebsspannung | 9V-15V |
| Nennspannung | 12V |
| Breite [mm] | 30 Millimeter |
| Höhe [mm] | 65 Millimeter |
| Länge [mm] | 30 Millimeter |
