Carsig – Ihr Spezialist für Elektroniklösungen
- Produktfinder
- Glühzeitrelais
- GL.150.000.00
GL.150.000.00
Funktionsdiagramm

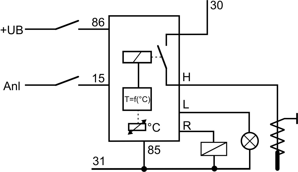
Schaltbild

Abmessungen




Dient zum Vorglühen bei Dieselmotoren (Vorglühzeit). Das Glühzeitrelais (Steuergerät, Glühzeit) hat die Funktion, den Strom für die Glühkerzen zeitgesteuert und temperaturabhängig ein- und aus zu schalten.

| Technische Daten | |
|---|---|
| Betriebsspannung | 9V-15V |
| Nennspannung | 12V |
| Breite [mm] | 30 Millimeter |
| Höhe [mm] | 65 Millimeter |
| Länge [mm] | 30 Millimeter |
